
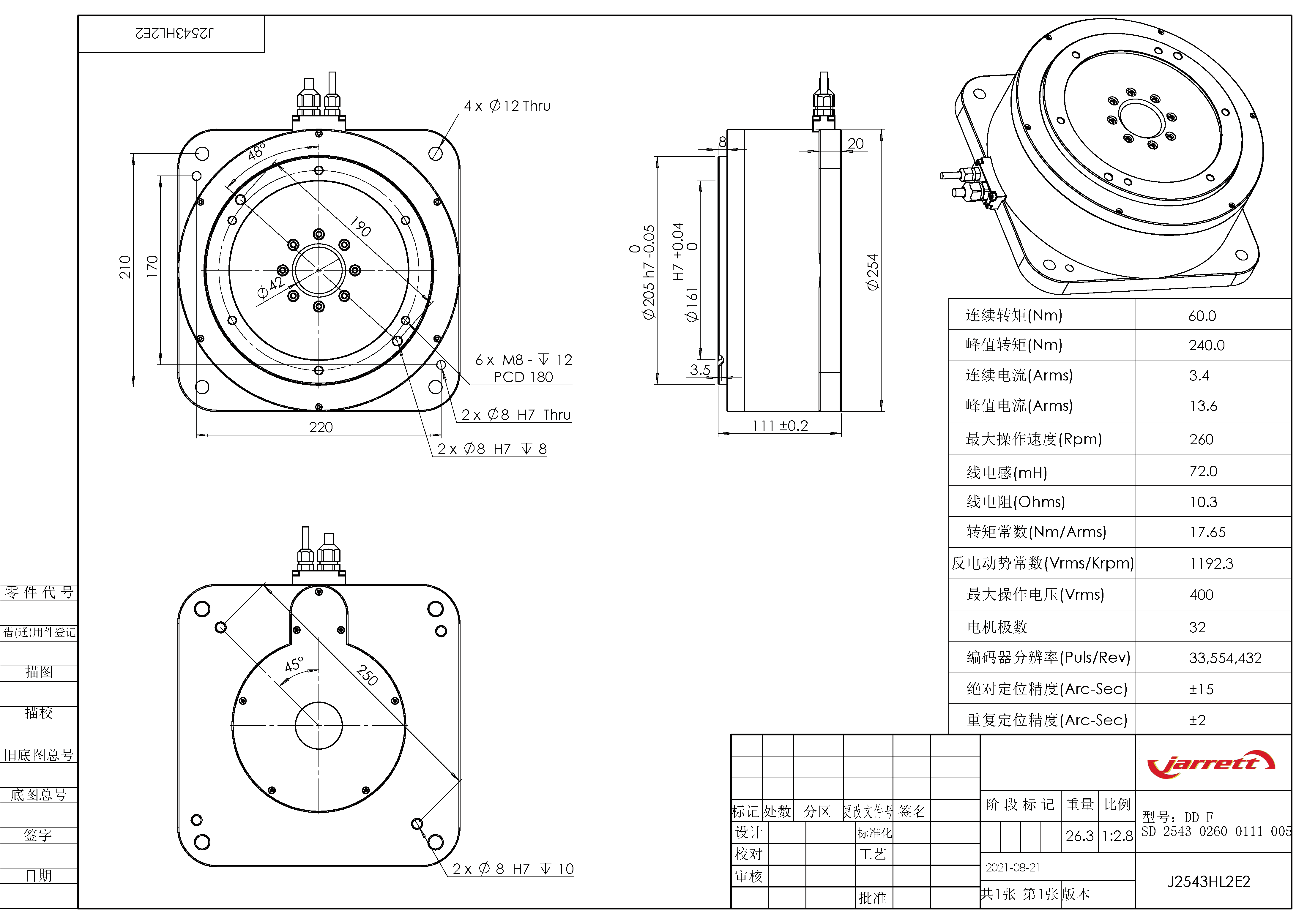
杰瑞特DD-F-SD-2543-0260-0111-005 款是高响应、高刚性绝对值反馈DD马达,内置25位海德汉endat2.2绝对值编码器,扁平化设计,节省客户安装空间,重载型设计,可承受较大轴向、径向负载,中空轴径达到42mm,精度高、稳定性好。
杰瑞特DD马达的优势:减少机械传动装置,如减速箱、同步皮带、滑轮或丝杠,会产生背隙、机械损耗和令人烦扰的噪音,这些因素会降低机器性能,增加机器尺寸和重量。
峰值扭矩:240NM
连续扭矩:60NM
额定转速:260RPM
最大电压:400Vrms
编码器分辨率ppr:33,554,432
绝对定位精度 arc-sec:±15
重复定位精度 arc-sec:±2
允许轴向压缩力:20000N
允许轴向提升力:20000N
DD马达中空轴径:42mm
DD马达安装高度:111mm
反馈类型:Endat2.2 25bit
转子惯量:0.0477kg*m^2
重量:26.3KG
特点:高精度,高响应DD马达
